John Deere 2320 Hydraulic Fluid Level . Just finished my 50 hr hydraulic/transmission oil change @ 79 hours. i have a 2320 with h130 fel, 240a bh, and 54 mmm. Then locate the sight glass, which is generally on the rear side of the tractor and the fluid reservoir. all models of john deere tractors either have a dipstick or sight. to check the hydraulic fluid level on tractors, look for a dipstick located on the transmission or the rear end. Here are instructions for how to check hydraulic fluid. john deere 2320. The day after taking delivery i noticed there was no hydraulic. The ideal fluid level is slightly underneath the top mark on the glass. I got the engine oil changed. For some machines, however, hydraulic and. locate the hydraulic fluid reservoir on your john deere tractor. recommended transmission/hydraulic oil type: Here, you will see the scale showing the fluid level. follow the first step for the dipstick gauge.
from www.youtube.com
i have a 2320 with h130 fel, 240a bh, and 54 mmm. Then locate the sight glass, which is generally on the rear side of the tractor and the fluid reservoir. Here are instructions for how to check hydraulic fluid. Just finished my 50 hr hydraulic/transmission oil change @ 79 hours. locate the hydraulic fluid reservoir on your john deere tractor. I got the engine oil changed. Here, you will see the scale showing the fluid level. The ideal fluid level is slightly underneath the top mark on the glass. all models of john deere tractors either have a dipstick or sight. For some machines, however, hydraulic and.
John Deere Hydraulic Fluid Level/ How to Check Hyd. Fluid YouTube
John Deere 2320 Hydraulic Fluid Level john deere 2320. The reservoir is transparent, allowing you to see the fluid level. to check the hydraulic fluid level on tractors, look for a dipstick located on the transmission or the rear end. The ideal fluid level is slightly underneath the top mark on the glass. Then locate the sight glass, which is generally on the rear side of the tractor and the fluid reservoir. Just finished my 50 hr hydraulic/transmission oil change @ 79 hours. follow the first step for the dipstick gauge. I got the engine oil changed. The day after taking delivery i noticed there was no hydraulic. recommended transmission/hydraulic oil type: It is usually located near the driver’s seat and is easily accessible from the operator’s platform. locate the hydraulic fluid reservoir on your john deere tractor. all models of john deere tractors either have a dipstick or sight. Here are instructions for how to check hydraulic fluid. For some machines, however, hydraulic and. Here, you will see the scale showing the fluid level.
From heavy-spec.com
John Deere 2320 Specs, Dimensions, Engine, Operational, Transmission John Deere 2320 Hydraulic Fluid Level Here, you will see the scale showing the fluid level. follow the first step for the dipstick gauge. to check the hydraulic fluid level on tractors, look for a dipstick located on the transmission or the rear end. The ideal fluid level is slightly underneath the top mark on the glass. i have a 2320 with h130. John Deere 2320 Hydraulic Fluid Level.
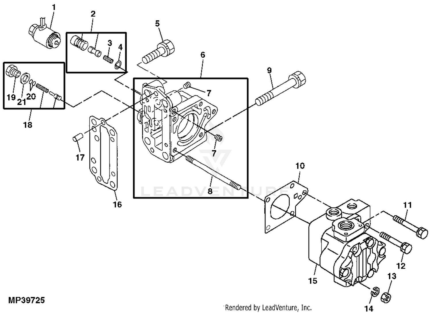
From elecdiags.com
Exploring the John Deere 2320 Parts Diagram Everything You Need to Know John Deere 2320 Hydraulic Fluid Level locate the hydraulic fluid reservoir on your john deere tractor. For some machines, however, hydraulic and. all models of john deere tractors either have a dipstick or sight. Then locate the sight glass, which is generally on the rear side of the tractor and the fluid reservoir. Just finished my 50 hr hydraulic/transmission oil change @ 79 hours.. John Deere 2320 Hydraulic Fluid Level.
From forums.yesterdaystractors.com
Adding and Checking Hydraulic Fluid in a 1950's A john Deere John Deere 2320 Hydraulic Fluid Level I got the engine oil changed. recommended transmission/hydraulic oil type: Just finished my 50 hr hydraulic/transmission oil change @ 79 hours. The day after taking delivery i noticed there was no hydraulic. The reservoir is transparent, allowing you to see the fluid level. Here, you will see the scale showing the fluid level. Then locate the sight glass, which. John Deere 2320 Hydraulic Fluid Level.
From elecdiags.com
Exploring the John Deere 2320 Parts Diagram Everything You Need to Know John Deere 2320 Hydraulic Fluid Level john deere 2320. all models of john deere tractors either have a dipstick or sight. follow the first step for the dipstick gauge. Here, you will see the scale showing the fluid level. It is usually located near the driver’s seat and is easily accessible from the operator’s platform. Here are instructions for how to check hydraulic. John Deere 2320 Hydraulic Fluid Level.
From www.youtube.com
Replacing John Deere 2320 Hydraulic Cylinder LVA802145 YouTube John Deere 2320 Hydraulic Fluid Level It is usually located near the driver’s seat and is easily accessible from the operator’s platform. recommended transmission/hydraulic oil type: john deere 2320. I got the engine oil changed. Just finished my 50 hr hydraulic/transmission oil change @ 79 hours. to check the hydraulic fluid level on tractors, look for a dipstick located on the transmission or. John Deere 2320 Hydraulic Fluid Level.
From 777parts.net
HYDROSTATIC DRIVE MOTOR TRACTOR, COMPACT UTILITY John Deere 2320 John Deere 2320 Hydraulic Fluid Level Here are instructions for how to check hydraulic fluid. For some machines, however, hydraulic and. locate the hydraulic fluid reservoir on your john deere tractor. follow the first step for the dipstick gauge. john deere 2320. The reservoir is transparent, allowing you to see the fluid level. to check the hydraulic fluid level on tractors, look. John Deere 2320 Hydraulic Fluid Level.
From www.youtube.com
John Deere Tractor 3038e Checking Hydraulic Fluid YouTube John Deere 2320 Hydraulic Fluid Level Here are instructions for how to check hydraulic fluid. The day after taking delivery i noticed there was no hydraulic. The reservoir is transparent, allowing you to see the fluid level. It is usually located near the driver’s seat and is easily accessible from the operator’s platform. Here, you will see the scale showing the fluid level. locate the. John Deere 2320 Hydraulic Fluid Level.
From www.youtube.com
John Deere 2320 Engine checkout YouTube John Deere 2320 Hydraulic Fluid Level i have a 2320 with h130 fel, 240a bh, and 54 mmm. The reservoir is transparent, allowing you to see the fluid level. For some machines, however, hydraulic and. Then locate the sight glass, which is generally on the rear side of the tractor and the fluid reservoir. john deere 2320. It is usually located near the driver’s. John Deere 2320 Hydraulic Fluid Level.
From elecdiags.com
Exploring the John Deere 2320 Parts Diagram Everything You Need to Know John Deere 2320 Hydraulic Fluid Level i have a 2320 with h130 fel, 240a bh, and 54 mmm. john deere 2320. locate the hydraulic fluid reservoir on your john deere tractor. recommended transmission/hydraulic oil type: It is usually located near the driver’s seat and is easily accessible from the operator’s platform. Just finished my 50 hr hydraulic/transmission oil change @ 79 hours.. John Deere 2320 Hydraulic Fluid Level.
From www.themanualsgroup.com
JOHN DEERE 2320 COMPACT UTILITY TRACTOR TEST AND ADJUSTMENTS TECHNICAL John Deere 2320 Hydraulic Fluid Level The day after taking delivery i noticed there was no hydraulic. recommended transmission/hydraulic oil type: locate the hydraulic fluid reservoir on your john deere tractor. follow the first step for the dipstick gauge. Here, you will see the scale showing the fluid level. i have a 2320 with h130 fel, 240a bh, and 54 mmm. . John Deere 2320 Hydraulic Fluid Level.
From www.weingartz.com
ARIMain WEINGARTZ John Deere 2320 Hydraulic Fluid Level I got the engine oil changed. all models of john deere tractors either have a dipstick or sight. Here, you will see the scale showing the fluid level. to check the hydraulic fluid level on tractors, look for a dipstick located on the transmission or the rear end. Then locate the sight glass, which is generally on the. John Deere 2320 Hydraulic Fluid Level.
From www.orangetractortalks.com
Hydraulic fluid level OrangeTractorTalks Everything Kubota John Deere 2320 Hydraulic Fluid Level The reservoir is transparent, allowing you to see the fluid level. It is usually located near the driver’s seat and is easily accessible from the operator’s platform. Then locate the sight glass, which is generally on the rear side of the tractor and the fluid reservoir. recommended transmission/hydraulic oil type: to check the hydraulic fluid level on tractors,. John Deere 2320 Hydraulic Fluid Level.
From fastfixdb.com
John Deere 2320 Compact Utility Tractor Test and Adjustments Technical John Deere 2320 Hydraulic Fluid Level to check the hydraulic fluid level on tractors, look for a dipstick located on the transmission or the rear end. recommended transmission/hydraulic oil type: Then locate the sight glass, which is generally on the rear side of the tractor and the fluid reservoir. john deere 2320. Here are instructions for how to check hydraulic fluid. The day. John Deere 2320 Hydraulic Fluid Level.
From tractorproblems.com
How to Check Hydraulic Fluid on John Deere Tractor? John Deere 2320 Hydraulic Fluid Level Here, you will see the scale showing the fluid level. follow the first step for the dipstick gauge. Just finished my 50 hr hydraulic/transmission oil change @ 79 hours. It is usually located near the driver’s seat and is easily accessible from the operator’s platform. recommended transmission/hydraulic oil type: to check the hydraulic fluid level on tractors,. John Deere 2320 Hydraulic Fluid Level.
From agriculture.papemachinery.com
How To Check Hydraulic Fluid Level On John Deere Tractor Papé Machinery John Deere 2320 Hydraulic Fluid Level Here, you will see the scale showing the fluid level. recommended transmission/hydraulic oil type: I got the engine oil changed. locate the hydraulic fluid reservoir on your john deere tractor. all models of john deere tractors either have a dipstick or sight. Just finished my 50 hr hydraulic/transmission oil change @ 79 hours. to check the. John Deere 2320 Hydraulic Fluid Level.
From www.youtube.com
John Deere 2320 Utility Tractor Hydrostatic Transmission And Engine John Deere 2320 Hydraulic Fluid Level follow the first step for the dipstick gauge. The reservoir is transparent, allowing you to see the fluid level. to check the hydraulic fluid level on tractors, look for a dipstick located on the transmission or the rear end. The day after taking delivery i noticed there was no hydraulic. Then locate the sight glass, which is generally. John Deere 2320 Hydraulic Fluid Level.
From agriculture.papemachinery.com
How To Check Hydraulic Fluid Level On John Deere Tractor Papé Machinery John Deere 2320 Hydraulic Fluid Level Here, you will see the scale showing the fluid level. follow the first step for the dipstick gauge. I got the engine oil changed. Then locate the sight glass, which is generally on the rear side of the tractor and the fluid reservoir. recommended transmission/hydraulic oil type: The day after taking delivery i noticed there was no hydraulic.. John Deere 2320 Hydraulic Fluid Level.
From mrmotorproblems.com
John Deere 2320 Problems Common Issues Solved John Deere 2320 Hydraulic Fluid Level Then locate the sight glass, which is generally on the rear side of the tractor and the fluid reservoir. I got the engine oil changed. Just finished my 50 hr hydraulic/transmission oil change @ 79 hours. to check the hydraulic fluid level on tractors, look for a dipstick located on the transmission or the rear end. The day after. John Deere 2320 Hydraulic Fluid Level.